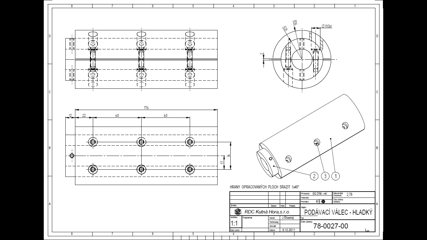
Výkresová dokumentace

Společnost DAAKKVL, s.r.o. se svým zákazníkům snaží nabízet služby na klíč, jejichž součástí je i tvorba výkresové a výrobní dokumentace.

U stavebních zámečnických prvků a stavebních ocelových konstrukcí se jedná především o zpracování výrobní dokumentace z dostupných stavebních výkresů. Výrobní dokumentace obsahuje veškeré detaily ocelových prvků a konstrukcí pro snadnější představu a snadnější možnost odsouhlasení s architektem, stavbyvedoucím či investorem.

U strojních součástí a přípravků nabízí naše společnost komplexní služby. Od navržení řešení strojního zařízení, přes jeho zkreslení, tvorbu kusovníků a výrobní dokumentace jednotlivých dílců.

U velkých ocelových konstrukcí – konstrukcí výrobních hal, skladovacích hal, výrobních boxů, nosných konstrukcí, jeřábových drah, přístaveb, zastřešení, nabízíme kompletní zpracování výkresové a dílenské dokumentace společně se všemi potřebnými statickými výpočty a výpočty vyžadovanými ČSN.

Dle požadavku zákazníka jsme schopni zpracovat 3D modely zkreslených produktů, stejně tak i statické výpočty a výpočty možné zátěže k navrhovaným ocelovým konstrukcím a ocelovým svařencům.

Výkresová dokumentace je zákazníkům předávána v požadovaném formátu – DWG, DXF, PDF a další.

Pro tvorbu VD používají naši konstruktéři především program ADVANCE STEEL PROFESIONAL od společnosti AB Studio C.+E., s.r.o.

Příklady realizovaných projektů:

VD 1 VD 2 VD 3
VD 4 VD 5 VD 6 VD 7
————————————————————————————————————————————-
VD BT VD BT VD plošina Finsko

DAAKKVL, s.r.o.
Chelčického 3097
470 01 Česká Lípa
Czech Republic

—————————-
www.daakkvl.cz
www.daakkvl-kovo.cz


Kovovýroba DAAKKVL s.r.o.
DAAKKVL s.r.o. - idatabaze.czKovovýroba - idatabaze.cz
PředchozíDalší
  • motiv1
  • motiv2
  • motiv3
  • motiv4
  • motiv5
  • motiv6
  • motiv7
  • motiv8
  • motiv9
  • motiv10
  • motiv11
  • motiv12

🍪 Nastavení soukromí

2010 • Tvorba stránek esluzby.net